Plan :
- 1. Préface & Prérequis
- 2. Quand faut-il le restaurer ?
- 3. Matériel nécessaire & sécurité
- 4. Restauration
- 4.1. Démontage & Nettoyage
- 4.2. Dessoudage des composants
- 4.3. Souder les nouveaux composants
- 4.4. Remontage et adaptations
- 4.4.1. Option : peinture isolante
- 4.4.2. Montage du transistor T2
- 4.4.3. Adaptation du boîtier
- 4.4.4. Option : vernir le CI
- 4.4.5. Remonter le boîtier
- 5. Historique
Allumage G. CARTIER 02341
3. Matériel nécessaire & sécurité
Pour bien faire le travail, il est clair qu’avec un couteau suisse ça ne va pas vraiment le faire… alors voici la liste du minimum nécessaire aussi bien au niveau outils que composants, pour rénover votre boîtier CARTIER correctement dans des bonnes conditions de travail & sécurité.
Composants électroniques :
Le BUT55, un composant particulier :
Ce boîtier contient un composant électronique particulier qui n'a plus été fabriqué depuis plus de vingt longues années : le BUT55. Apparemment depuis janvier 2017 il y aurait eu des nouvelles commandes de ré-fabrication de ce composant qui serait disponible à nouveau sur le marché de l'électronique. Mais je n'ai pas réussi à mettre la main sur un lien sérieux à ce propos...Ce tutoriel ayant été rédigé avant la supposée ré-fabrication de ce composant, trois composants de remplacement compatibles vous sont proposés : le BUT62 que j'ai pu tester moi-même, le BUT57 (à tester), ou le BU931T qui semble être actuellement le plus fiable pour cette utilisation. Il va de soi que si vous arrivez à trouver le composant original il vaudrait mieux l'utiliser plutôt qu'un équivalent.
Dans tous les cas cela ne change que la dénomination du composant et le tutoriel demeure valide et applicable quelque soit le composant que vous aurez réussi à dégoter.
Merci pour votre compréhension.
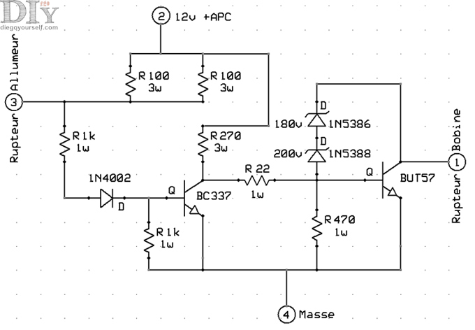
Si vous êtes un féru d’électronique, voici le schéma de ce fabuleux boîtier :

Schéma électronique du boîtier CARTIER
La liste des courses :
Vous pouvez acquérir l'ensemble de ces composants électroniques déjà tout prêts dans un kit prévu spécialement pour auprès de la boutique du Forum Super 5, notre site partenaire et associé, voici le lien : G. CARTIER 02341 : Kit de restauration.
Si vous achetez dans leur boutique vous soutenez non seulement DIegoYourself (ce site) mais aussi ce forum indépendant qui s'efforce de maintenir une communauté autour de la mécanique automobile, en dehors des réseaux sociaux et des grands groupes en général.
Voici la liste complète du matériel dont vous aurez besoin pour restaurer ce boîtier :
- R1 : 100Ω 3W 5% couche métal PR03 (marron-noir-marron + doré);
- R2 : 100Ω 3W 5% couche métal PR03 (marron-noir-marron + doré);
- R3 : 270Ω 2W 5% couche métal PR02 (rouge-mauve-marron + doré);
- R4 : 22Ω 1W 5% couche métal PR01 (rouge-rouge-noir + doré);
- R5 : 1KΩ 1W 5% couche métal PR01 (marron-noir-rouge + doré);
- R6 : 1KΩ 1W 5% couche métal PR01 (marron-noir-rouge + doré);
- R7 : 470Ω 1W 5% couche métal PR01 (jaune-mauve-marron + doré);
- D1 : 1N4002 ;
- D2 : 1N5386 (qui remplace celui originalement dessus BZY92C180, qui ne semble plus fabriqué) ;
- D3 : 1N5388 (qui remplace celui originalement dessus BZY97C200, qui ne semble plus fabriqué) ;
- T1 : BC337-25 (petit transistor à 3 pattes);
- T2 : BUT55 de préférence, sinon BUT931P, ou BUT62, ou encore BUT57 si vous avez envie de tester ce dernier ;
- 1 vis M3 à tête plate/cylindrique, 15mm de longueur, avec boulon hexagonal. De préférence en inox (vis + boulon).
Aidez-vous de la photo ci-dessous pour identifier les composants au moment où vous allez les mettre en place. Ne vous inquiétez pas si la couleur des résistances (Rx) n’est pas la même que sur la photo, elles peuvent être beiges, bleues, vertes… Ce qui est important c’est la couleur des traits dessinés dessus.

Identification des composants
Outils :
La plupart de ces outils se trouvent chez votre revendeur électronique préféré pour certains, d’autres dans un magasin de bricolage tout à fait ordinaire :- Un tournevis à tête plate fin ;
- Un cutter ;
- Un fer à souder de l’étain ;
- De l’étain à souder, avec décapant intégré ;
- Une pompe à dessouder ;
- De la tresse à dessouder ;
- Une perceuse, de préférence colonne, avec des forêts à métaux.
Les produits :
- Un peu de loctite (quelques goûtes). Ça se trouve en magasin mécanique auto.
- De la silicone à jointer (genre pour les salles de bain…), noir si vous préférez (et si vous en trouvez !), pour l’esthétique. Ça se trouve en magasin de bricolage ou mécanique auto.
- De la pâte thermique : souvent utilisée en informatique pour faciliter les échanges thermiques entre les processeurs et ventilateurs. Ça se trouve dans les magasins d’informatique.
- De la peinture/vernis à circuits (optionnel), pour protéger votre circuit de l’humidité. Cela se trouve en magasin d’électronique et se présente sous forme d’une bombe de peinture (spray).
|
Commenter sur le forum |
|
|
|



